0931 溶出度与释放度测定法
本法系用于检查药物制剂在规定条件下的溶出与释放情况,主要用于口服制剂、半固体制剂和透皮贴剂。
溶出度系指活性药物从片剂、胶囊剂或颗粒剂等在规定条件下溶出的速率和程度,缓释制剂、控释制剂、肠溶制剂和透皮贴剂等制剂的溶出度通常称释放度。
仪器装置
第一法(篮法)
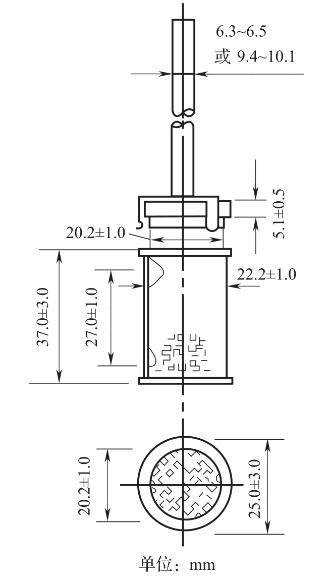
(1)转篮 分篮体与篮轴两部分,均为不锈钢或其他惰性材料制成,其形状尺寸如图1所示。篮体由丝径为0.22~0.31mm,网孔为0.36~0.44mm的方孔筛网制成,焊接后筛网可轻微变形,可采用厚约0.0001英寸(2.5μm)镀金涂层,呈圆柱形,内径为20.2mm±1.0mm,上下两端都有封边。篮轴的直径为6.3~6.5mm或9.4~10.1mm,轴的末端连一圆盘,作为转篮的盖;盖上有孔径为2.0mm±0.5mm的通气孔;盖边系两层,上层直径与转篮外径相同,下层直径与转篮内径相同;盖上的三个弹簧片与中心呈120°角。

图1 转篮装置
(2)溶出杯 一般由硬质玻璃或其他惰性材料制成的底部为半球形的1000ml杯状容器。溶出杯高为160~210mm,内径为98~106mm,其圆柱部分内径最大值和内径最小值之差不得大于0.5mm;溶出杯配有适宜的盖子,盖上有适当的孔,中心孔为篮轴的位置,其他孔供取样或测量温度用。溶出杯置恒温水浴或其他适当的加热装置中。
(3)篮轴与电动机相连,由速度调节装置控制电动机的转速,使篮轴的转速在各品种项下规定转速的±4%范围之内。运转时整套装置和装置所处的环境应保持平稳,均不能产生明显的晃动或振动。转篮旋转时,篮轴与溶出杯的垂直轴在任一点的偏离均不得大于2mm,转篮下缘的摆动幅度不得偏离轴心1.0mm。
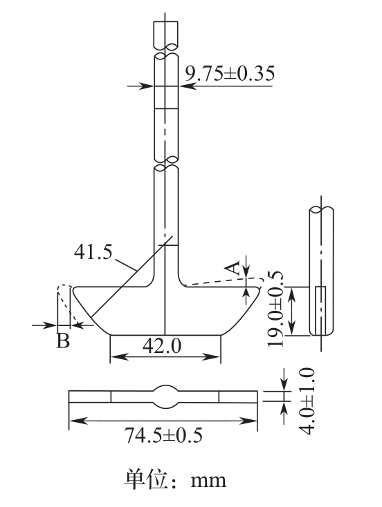
第二法(桨法)
除将转篮换成搅拌桨外,其他装置和要求与第一法相同。搅拌桨的下端及桨叶部分可涂覆聚四氟乙烯等适当的惰性材料,其形状尺寸如图2所示。桨杆对称度,即桨轴左侧距桨叶左边缘距离与桨轴右侧距桨叶右边缘距离之差,不得超过0.5mm,桨轴和桨叶垂直度90°±0.2°;桨杆旋转时,桨轴与溶出杯的垂直轴在任一点的偏差均不得大于2mm;搅拌桨旋转时A、B两点的摆动幅度不得超过0.5mm。

图2 搅拌桨装置
第三法(小杯法)
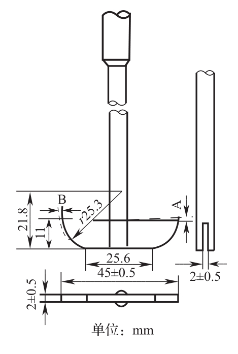
(1)搅拌桨 形状尺寸如图3所示。桨杆上部直径为9.75mm±0.35mm,桨杆下部直径为6.0mm±0.2mm;桨杆对称度,即桨轴左侧距桨叶左边缘距离与桨轴右侧距桨叶右边缘距离之差,不得超过0.5mm,桨轴和桨叶垂直度90°±0.2°;桨杆旋转时,桨轴与溶出杯的垂直轴在任一点的偏差均不得大于2mm;搅拌桨旋转时,A、B两点的摆动幅度不得超过0.5mm。

图3 小杯法搅拌桨装置
(2)溶出杯 一般由硬质玻璃或其他惰性材料制成的底部为半球形的250ml杯状容器,其形状尺寸如图4所示。溶出杯高为126mm±6mm,内径为62mm±3mm,圆柱部分内径最大值和内径最小值之差不得大于0.5mm,其他要求同第一法(2)。

图4 小杯法溶出杯装置
(3)桨杆与电动机相连,转速应在各品种项下规定转速的±4%范围之内。其他要求同第二法。
第四法(桨碟法)
方法1 搅拌桨同第二法、溶出杯同第一法,溶出杯中放入用于固定供试品的不锈钢网碟(图5)。网碟装置见图6。

图5 桨碟法方法1装置

图6 桨碟法方法1网碟装置
方法2 除将方法1的网碟换成图7所示的网碟外,其他装置和要求与方法1相同。

图7 桨碟法方法2装置
第五法(转筒法)
溶出杯的形状尺寸同第一法,搅拌装置为不锈钢转筒。组成搅拌装置的杆和转筒均由不锈钢制成,其规格尺寸见图8。

图8 转筒法搅拌装置
第六法(流池法)
装置由溶出介质的贮液池、用于输送溶出介质的泵、流通池和保持溶出介质温度的恒温水浴组成,接触介质与供试品的部分均为不锈钢或其他惰性材料制成。应使用品种正文项下规定尺寸的流通池。
流通池 常用流通池的形状尺寸如图9和图10所示,由透明惰性材料制成,垂直安装在一个带过滤系统装置上(参见各品种项下的具体规定),以防止未溶解的颗粒从流通池顶部漏出;标准流通池的内径一般为12mm和22.6mm;流通池的锥形部分通常充填直径为1mm的玻璃珠,在倒置的锥体下端放一直径为5mm的玻璃珠以防止样品池中的介质倒流入管路;样品支架(图9,图10)用于固定植入片等供试品。样品池浸没在恒温水浴中,并保持温度在37℃±0.5℃。

图9 方法6用于片剂和胶囊剂的大池(图示的上部分)和大池的支架(图示的下部分)

图10 方法6用于片剂和胶囊剂的小池(图示的上部分)和小池的支架(图示的下部分)
流通池用一个夹子和两个O形圈固定。泵应与溶出部件分开,避免泵的振动对测定的影响。泵的水平位置不得高于溶出介质的贮液池。连接管应尽量短,可采用内径为1.6mm的聚四氟乙烯以及惰性材料制成的法兰接头。在泵的作用下溶出介质向上流过流通池,流速通常在240~960ml/h之间。标准流速为4ml/min、8ml/min和16ml/min。泵应能提供恒流,变化范围为规定流速的±5%,流速曲线应为正弦曲线,脉动频率为120冲/分±10冲/分,也可使用无脉冲泵。采用流池法进行溶出度检查的方法,应规定流速与脉冲频率。
第七法(往复筒法)
装置由溶出杯、往复筒、电动机、恒温水浴或其他适当的加热装置等组成。除另有规定外,溶出杯和往复筒的形状尺寸见图11。
(1)溶出杯 平底筒状溶出杯由硬质玻璃或者其他适宜的惰性材料制成。溶出杯内径为47mm±1.4mm,高为180mm±1mm。溶出杯上配有防挥发盖,在测定过程中,防挥发盖不得移位,防挥发盖高度为66.8mm±1mm,上端外径为50.8mm±1mm,下端可与溶出杯匹配,内径为38.1mm±1mm;盖上的中心孔,供直径为6~8mm的往复轴穿过。中心孔两侧可设置数量不等的排气孔,排气孔的直径为3.9mm±0.1mm。溶出杯置恒温水浴或其他适当的加热装置中。
(2)往复筒 由硬质玻璃或者其他适宜的惰性材料制成,可供观察制剂和往复筒行为的材料为佳。往复筒内径为23~26mm,高为100mm±1mm,底部放置筛网的圆筒状螺帽高为18mm±1mm,顶部螺帽高为23mm±1mm。往复轴与顶部螺帽于螺帽的中心点相连。螺帽中心点两侧可设置数量不等的排气孔。往复筒置于溶出杯中。

图11 往复筒法中的溶出杯(图示的下部分)和往复筒(图示的中间部分)
(3)往复轴和筛网 往复轴及其相关配件一般由不锈钢或其他适宜材料制成,筛网由不锈钢或其他惰性的材料制成。
(4)电动机 可驱动往复筒在溶出杯内做垂直往复运动,也可引导往复筒在水平方向移动。仪器的往复频率应可调节,并保持往复频率在品种项下规定的±5%的范围内变化。运行时,除往复筒平稳的垂直运动外,装置和实验室台面均不应出现明显移动、振荡或震动。
第八法(往复架法)
除将往复筒换成往复架、采用品种正文项下规定的溶出杯外,水浴以及电动机等装置要求与第七法相同。往复架由不锈钢、有机玻璃或聚四氟乙烯等适宜材料制成,作为固定制剂的样品架,根据使用需要,设计成多种形状。除另有规定外,往复架法装置的样品架形状尺寸如图12和图13a~图13d所示。

a典型的贴剂尺寸
bSS/VT为不锈钢或聚四氟乙烯
cSS/P为不锈钢或有机玻璃
图12 往复碟

图13a 透皮贴剂样品架—倾斜碟

图13b 透皮贴剂样品架—圆筒

图13c 口服缓释片样品架—棒状,尖端用于黏合

图13d 口服缓释片样品架—弹簧架
第九法(扩散池法)
装置由供给池、接收池、搅拌子和垫圈等组成,相关组件应由玻璃、不锈钢或聚四氟乙烯等惰性材料制成。除另有规定外,扩散池通常有2种形状尺寸(装置Ⅰ、装置Ⅱ),见图14、图15。

图14 扩散池装置Ⅰ

图15 扩散池装置Ⅱ
仪器装置适用性要求
仪器装置适用性的考察应包括仪器的规格尺寸是否与上述规定一致或在其允许的范围内,如仪器转速、往复频率、溶出介质的温度和流速等。此外在使用过程中应周期性的监控关键的试验参数。
测定法
第一法和第二法
普通制剂 在试验过程中,容器内底部与转篮或桨叶底部之间的距离保持在25mm±2mm。测定前,分别量取溶出介质置各溶出杯内,实际量取的体积与规定体积的偏差应在±1%范围之内,待溶出介质温度恒定在37℃±0.5℃后,取供试品6片(粒、袋),按下列操作进行。
采用第一法时,分别投入6个干燥的转篮内,将转篮降入溶出杯中。
采用第二法时,分别投入6个溶出杯内;当品种项下规定需要使用沉降篮时,可将供试品先装入规定的沉降篮内。可选用的沉降篮的形状尺寸如图16所示,也可选用其他经过验证的沉降装置。沉降篮种类未规定时,如供试品浮于液面,可用一小段耐腐蚀的细金属丝轻绕于供试品外部,使其沉降至溶出杯底部。
注意避免供试品表面产生气泡,应立即按各品种项下规定的转速启动仪器,计时至规定的取样时间,实际取样时间与规定时间的差异不得过±2%。吸取溶出液适量,除另有规定外,取样位置应在转篮或桨叶顶端至液面的中点,距溶出杯内壁不小于10mm处区域;需多次取样时,应及时补充相同体积的温度为37℃±0.5℃的溶出介质,或在计算时加以校正,立即用适当的滤器滤过,滤器应不吸附活性物质并不干扰分析测定,如证明无需滤过,则可不用滤器滤过。照该品种项下规定的方法测定,计算每片(粒、袋)的溶出量。

图16 沉降篮装置
A.耐酸金属卡 B.耐酸金属支架
缓释制剂或控释制剂 照普通制剂方法操作,但至少采用三个取样时间点,在规定取样时间点,吸取溶液适量,及时补充相同体积的温度为37℃±0.5℃的溶出介质,或在计算时加以校正,滤过,滤器应不吸附活性物质并不干扰分析测定,如证明无需滤过,则可不用滤器滤过。照各品种项下规定的方法测定,计算每片(粒)的溶出量。
肠溶制剂 按方法1或方法2操作。
方法1 酸中溶出量 除另有规定外,分别量取0.1mol/L盐酸溶液750ml置各溶出杯内,实际量取的体积与规定体积的偏差应在±1%范围之内,待溶出介质温度恒定在37℃±0.5℃,取供试品6片(粒)分别投入转篮或溶出杯中。当品种项下规定需要使用沉降篮时,可将供试品先装入规定的沉降篮内;品种项下未规定使用沉降篮时,如供试品浮于液面,可用一小段耐腐蚀的细金属丝轻绕于供试品外部,注意避免供试品表面产生气泡,立即按各品种项下规定的转速启动仪器,2小时后在规定取样点吸取溶液适量,滤过,滤器应不吸附活性物质并不干扰分析测定,如证明无需滤过,则可不用滤器滤过。按各品种项下规定的方法测定,计算每片(粒)的酸中溶出量。
其他操作同第一法和第二法项下普通制剂。
缓冲液中溶出量 上述酸液中加入温度为37℃±0.5℃的0.2mol/L磷酸钠溶液250ml,必要时可用2mol/L盐酸溶液或2mol/L氢氧化钠溶液调节pH值至6.8,继续运转45分钟,或按各品种项下规定的时间,在规定取样点吸取溶出液适量,滤过,滤器应不吸附活性物质并不干扰分析测定,如证明无需滤过,则可不用滤器滤过。按各品种项下规定的方法测定,计算每片(粒)的缓冲液中溶出量。
方法2 酸中溶出量 除另有规定外,量取0.1mol/L盐酸溶液900ml或1000ml,注入每个溶出杯中,照方法1酸中溶出量项下进行测定。
缓冲液中溶出量 弃去上述各溶出杯中酸液,立即加入温度为37℃±0.5℃的缓冲液900ml或1000ml,或将每片(粒)转移入另一盛有温度为37℃±0.5℃的缓冲液900ml或1000ml的溶出杯中,照方法1缓冲液中溶出量项下进行测定。
缓冲液 取0.1mol/L盐酸溶液和0.2mol/L磷酸钠溶液,按3∶1混合均匀,必要时可用2mol/L盐酸溶液或2mol/L氢氧化钠溶液调节pH值至6.8。
第三法
普通制剂 测定前,应对仪器装置进行必要的调试,使桨叶底部距溶出杯的内底部15mm±2mm。分别量取溶出介质置各溶出杯内,介质的体积150~250ml,实际量取的体积与规定体积的偏差应在±1%范围之内,当品种项下规定需要使用沉降装置时,可将胶囊剂先装入规定的沉降装置内。以下操作同第二法。取样位置应在桨叶顶端至液面的中点,距溶出杯内壁6mm处。
缓释制剂或控释制剂 照第三法普通制剂方法操作,其余要求同第一法和第二法项下缓释制剂或控释制剂。
第四法
透皮贴剂 分别量取溶出介质置各溶出杯内,实际量取的体积与规定体积的偏差应在±1%范围之内,待溶出介质预温至32℃±0.5℃;将供试品固定于两层碟片之间(方法1)或网碟上(方法2),溶出面朝上,尽可能使其保持平整。再将网碟水平放置于溶出杯下部,并使网碟与桨底旋转面平行,两者相距25mm±2mm,按品种正文规定的转速启动装置。在规定取样时间点,吸取溶出液适量,及时补充相同体积的温度为32℃±0.5℃的溶出介质。
其他操作同第一法和第二法项下缓释制剂或控释制剂。
第五法
透皮贴剂 分别量取溶出介质置各溶出杯内,实际量取的体积与规定体积的偏差应在±1%范围之内,待溶出介质预温至32℃±0.5℃;除另有规定外,按下述进行准备。除去供试品的保护套,将有黏性的一面置于一片铜纺(1)上,铜纺的边比贴剂的边至少大1cm。将贴剂的铜纺覆盖面朝下放置于干净的表面,涂布适宜的胶黏剂于多余的铜纺边。必要时可将胶黏剂涂布于供试品背面。干燥1分钟,仔细将贴剂涂胶黏剂的面安装于转筒外部,使贴剂的长轴通过转筒的圆心。挤压铜纺面除去引入的气泡。将转筒安装在仪器中,试验过程中保持转筒底部距溶出杯内底部25mm±2mm,立即按品种正文规定的转速启动仪器。在规定取样时间点,吸取溶出液适量,及时补充相同体积的温度为32℃±0.5℃的溶出介质。同法测定其他透皮贴剂。
其他操作同第一法和第二法项下缓释制剂或控释制剂。
第六法
普通制剂与缓、控释制剂 取玻璃珠置品种正文项下规定的流通池中。按各品种正文项下规定,取1片(粒)样品放在玻璃珠上,或置于支架上。装好滤头并将所有部件用夹子固定好。加热使溶出介质温度保持在37℃±0.5℃或正文规定的温度,并以品种正文项下规定的溶出介质与流速经流通池底部连续泵入池内,流速的测定应准确至5%。至规定的每一次取样时间,取溶出液适量,按各品种正文项下规定的方法测定,计算溶出量。重复试验其他样品。
肠溶制剂 使用各品种正文项下规定的溶出介质;除另有规定外,同第一法项下的肠溶制剂。
第七法
普通制剂 量取各品种项下规定体积的溶出介质置于各溶出杯中,待溶出介质温度恒定在37℃±0.5℃,取供试品6片(粒)置于6个往复筒中,注意避免供试品表面产生气泡。立即按各品种正文项下规定的参数进行试验并计时,参数包括筛网孔径和材质、往复筒进入溶出杯之后开始往复运动前的停留时间、往复筒由上一列溶出杯出来进入下一列溶出杯之前的停留时间、单排管或多排管等。在向上和向下的运动过程中,往复筒移动的距离为10cm±0.1cm。至各品种项下规定的取样时间,吸取规定体积的溶出液,立即用适当的滤器过滤,滤器应不吸附活性物质并不干扰分析测定,如证明无需滤过,则可不用滤器滤过。照各品种项下规定的方法测定,计算每片(粒)的溶出量。
缓释制剂或控释制剂 照普通制剂的方法操作,但至少采用3个取样时间点,在各品种项下规定取样时间点,吸取规定体积的溶出液,滤过,滤器应不吸附活性物质并不干扰分析测定,如证明无需滤过,则可不用滤器滤过。照各品种项下规定的方法测定,计算每片(粒)的溶出量。
肠溶制剂 除另有规定外,按第一法与第二法中肠溶制剂的要求进行,采用各品种项下规定的体积,一列溶出杯用作酸中溶出量的试验,另一列溶出杯用作缓冲液中溶出量的试验。照各品种项下规定的方法测定,计算每片(粒)的溶出量。
第八法
缓释制剂或控释制剂 分别量取品种正文项下规定体积的溶出介质置于各溶出杯内,待溶出介质温度恒定在37℃±0.5℃或品种正文项下规定的温度,取供试品6片,按品种正文项下规定的方式放置或黏附于规定的样品架,注意避免供试品表面产生气泡。立即按品种正文项下规定的参数进行试验并计时,参数包括往复频率、样品架进入溶出杯之后开始往复运动前的停留时间、样品架由一列溶出杯移出进入下一列溶出杯前的停留时间、单排管或多排管等。除另有规定外,样品架上下移动的距离约为2cm。至少设3个取样点,在规定取样时间点和取样位置,量取规定体积的溶出液,立即用适当的滤器过滤,滤器应不吸附活性物质并不干扰分析测定,如证明无需滤过,则可不用滤器过滤。照品种正文项下规定的方法测定,计算每片的溶出量。
透皮贴剂 分别量取品种正文项下规定体积的溶出介质置于各溶出杯内,待溶出介质温度恒定在32℃±0.5℃或品种正文项下规定的温度;除另有规定外,除去贴剂的保护套,采用双面胶或将有黏性的一面置于铜纺、薄膜或尼龙网上后,固定在品种正文项下规定的样品架上,使贴剂的释药面面向溶出介质。尽可能保证释药面的平整度并除去引入的气泡,可使用惰性金属丝或聚合物环对样品架上的贴剂予以加固。立即按品种正文项下规定的参数进行试验并计时,参数包括往复频率、样品架进入溶出杯之后开始往复运动前的停留时间、样品架由一列溶出杯移出进入下一列溶出杯前的停留时间、单排管或多排管等。除另有规定外,样品架上下移动的距离约为2cm;在规定的取样时间和取样位置,量取规定体积的溶出液,立即用适当的滤器过滤,滤器应不吸附活性物质并不干扰分析测定,如证明无需滤过,则可不用滤器滤过。照品种正文项下规定的方法测定,计算每片的溶出量。
其他操作同第八法项下缓释制剂或控释制剂。
第九法
软膏、乳膏、凝胶剂等半固体制剂 量取规定体积的溶出介质,置于品种正文项下规定的扩散池装置的接收池内,待溶出介质温度恒定在32℃±0.5℃时,将供试品均匀涂布在规定的溶出膜,载有样品溶出膜覆于供给池上,按品种正文项下规定的转速转动搅拌子。在规定的取样时间和取样位置,量取规定体积的溶出液,必要时滤过,并及时补充相同体积的预热的溶出介质至接收池中。照品种正文项下规定的方法测定,计算供试品的溶出量。
上述九种测定法中,除第七法、第八法、第九法外,当采用原位光纤实时测定时,应进行方法学验证,确认辅料不干扰测定,或可通过设定参比波长等方法消除辅料的干扰;原位光纤实时测定主要适用于溶出曲线和缓释制剂溶出度的测定。
结果判定
普通制剂 品种正文项下未规定判定法时,采用判定法1;品种正文项下规定判定法时,按其规定的判定法进行判定。
判定法1 符合下述条件之一者,可判为符合规定。
(1)6片(粒、袋)中,每片(粒、袋)的溶出量按标示量计算,均不低于规定限度(Q)。
(2)6片(粒、袋)中,如有1~2片(粒、袋)低于Q,但不低于Q-10%,且其平均溶出量不低于Q。
(3)6片(粒、袋)中,有1~2片(粒、袋)低于Q,其中仅有1片(粒、袋)低于Q-10%,但不低于Q-20%,且其平均溶出量不低于Q时,应另取6片(粒、袋)复试;初、复试的12片(粒、袋)中有1~3片(粒、袋)低于Q,其中仅有1片(粒、袋)低于Q-10%,但不低于Q-20%,且其平均溶出量不低于Q。
以上结果判断中所示的10%、20%是指相对于标示量的百分率(%)。
判定法2 符合下述条件之一者,可判为符合规定。
(1)6片(粒、袋)中,每片(粒、袋)的溶出量按标示量计算,均不低于Q+5%。
(2)6片(粒、袋)中,有供试品(片、粒、袋)溶出量低于Q+5%,但不低于Q-15%,应另取6片(粒、袋)复试;初、复试12片(粒、袋)中,不得有溶出量低于Q-15%的供试品,且其平均溶出量不低于Q。
(3)初、复试12片(粒、袋)中,如有1~2片(粒、袋)低于Q-15%,但不低于Q-25%,且其平均溶出量不低于Q时,应另取12片(粒、袋)试验;包括初、复试供试品在内的24片(粒、袋)中,有不超过2片(粒、袋)的溶出量低于Q-15%,但不低于Q-25%,且其平均溶出量不低于Q。
以上结果判断中所示的5%、15%、25%是指相对于标示量的百分率(%)。
缓释制剂或控释制剂 品种正文项下未规定判定法时,采用判定法1;品种正文项下规定判定法时,按其规定的判定法进行判定。
判定法1 符合下述条件之一者,可判为符合规定。
(1)6片(粒)中,每片(粒)在每个时间点测得的溶出量按标示量计算,均未超出规定范围。
(2)6片(粒)中,在每个时间点测得的溶出量,如有1~2片(粒)超出规定范围,但未超出规定范围的10%,且在每个时间点测得的平均溶出量未超出规定范围。
(3)6片(粒)中,在每个时间点测得的溶出量,如有1~2片(粒)超出规定范围,其中仅有1片(粒)超出规定范围的10%,但未超出规定范围的20%,且其平均溶出量未超出规定范围,应另取6片(粒)复试;初、复试的12片(粒)中,在每个时间点测得的溶出量,如有1~3片(粒)超出规定范围,其中仅有1片(粒)超出规定范围的10%,但未超出规定范围的20%,且其平均溶出量未超出规定范围。
以上结果判断中所示超出规定范围的10%、20%是指相对于标示量的百分率(%)。其中超出规定范围10%是指每个时间点测得的溶出量低于低限的-10%,或超过高限的+10%;每个时间点测得的溶出量应包括最终时间测得的溶出量。
判定法2 符合下述条件之一者,可判为符合规定。
(1)6片(粒)中,每片(粒)在每个时间点测得的溶出量均未超出规定范围。
(2)6片(粒)中,有供试品(片、粒)溶出量超出规定范围,但未超出规定范围的10%,应另取6片(粒)复试;初、复试12片(粒)中,每片(粒)在每个时间点测得的溶出量均未超出规定范围的10%,且每个时间点测得的平均溶出量未超出规定范围。
(3)初、复试12片(粒)中,如有1~2片(粒)超出规定范围的10%,但未超出规定范围的20%时,应另取12片(粒)试验;包括初、复试供试品在内的24片(粒)中,有不超过2片(粒)在每个时间点测得的溶出量超出规定范围的10%,但未超出规定范围的20%,且每个时间点测得的平均溶出量未超出规定范围。
肠溶制剂 品种正文项下未规定判定法时,采用判定法1;品种正文项下规定判定法时,按其规定的判定法进行判定。
判定法1 符合下述条件之一者,可判为符合规定。
酸中溶出量 (1)6片(粒)中,每片(粒)的溶出量均不大于标示量的10%。
(2)6片(粒)中,有1~2片(粒)大于10%,但其平均溶出量不大于10%。
缓冲液中溶出量 (1)6片(粒)中,每片(粒)的溶出量按标示量计算均不低于规定限度(Q);除另有规定外,Q应为标示量的70%。
(2)6片(粒)中仅有1~2片(粒)低于Q,但不低于Q-10%,且其平均溶出量不低于Q。
(3)6片(粒)中如有1~2片(粒)低于Q,其中仅有1片(粒)低于Q-10%,但不低于Q-20%,且其平均溶出量不低于Q时,应另取6片(粒)复试;初、复试的12片(粒)中有1~3片(粒)低于Q,其中仅有1片(粒)低于Q-10%,但不低于Q-20%,且其平均溶出量不低于Q。
以上结果判断中所示的10%、20%是指相对于标示量的百分率(%)。
判定法2 依次进行每一阶段试验,直至酸中溶出量和缓冲液中溶出量均符合任一阶段的要求,可判为符合规定。
酸中溶出量(1)6片(粒)中,每片(粒)溶出量均不大于标示量的10%。
(2)6片(粒)中,有供试品(片、粒)溶出量大于标示量的10%,但不大于标示量的25%时,应另取6片(粒)复试;初、复试12片(粒)中,每片(粒)溶出量均不大于标示量的25%,且其平均溶出量不大于标示量的10%。
(3)另取12片(粒)试验;包括初、复试供试品在内的24片(粒)中,不得有1片(粒)溶出量大于标示量的25%,且其平均溶出量不大于标示量的10%。
缓冲液中溶出量 (1)6片(粒)中,每片(粒)溶出量均不低于Q+5%。
(2)6片(粒)中,有供试品(片、粒)溶出量低于Q+5%,但不低于Q-15%时,应另取6片(粒)复试;初、复试12片(粒)中,每片(粒)均不低于Q-15%,且平均溶出量不低于Q。
(3)初、复试12片(粒)中,有1~2片(粒)的溶出量低于Q-15%,但不低于Q-25%时,应另取12片(粒)试验;包括初、复试供试品在内的24片(粒)中,有不超过2片(粒)的溶出量低于Q-15%,但不低于Q-25%,且其平均溶出量不低于Q。
Q为酸中溶出量和缓冲液中溶出量的累积溶出量,以标示量的百分率(%)表示,除另有规定外,Q应为标示量的75%。以上结果判定中所示的5%、15%、25%是指相对于标示量的百分率(%)。
透皮贴剂 除另有规定外,同缓释制剂或控释制剂。
软膏、乳膏、凝胶剂等半固体制剂 按品种正文项下规定的限度和要求判定。
【溶出条件和注意事项】
(1)溶出仪的适用性及性能确证试验 溶出仪适用性的考察应包括仪器的规格尺寸是否与相关规定一致或在其允许的范围内,此外在使用过程中应定期监控溶出介质的温度和转速/流速等关键试验参数。除仪器的各项机械性能应符合相关规定外,还应采用溶出度标准片对仪器进行性能确证试验,按照标准片的说明书操作,试验结果应符合标准片的规定。
(2)溶出介质 应使用各品种项下规定的溶出介质,除另有规定外,室温下体积为900ml,并应新鲜配制和经脱气处理;如果溶出介质为缓冲液,当需要调节pH值时,一般调节pH值至规定pH值±0.05之内。
(3)取样时间 应按照品种各论中规定的取样时间取样,自6杯中完成取样的时间应在1分钟内,自取样至滤过应在30秒内完成。
(4)除另有规定外,颗粒剂或干混悬剂的投样应在溶出介质表面分散投样,避免集中投样。
(5)如胶囊壳对分析有干扰,应取不少于6粒胶囊,除尽内容物后,置一个溶出杯内,按该品种项下规定的分析方法测定空胶囊的平均值,做必要的校正。如校正值大于标示量的25%,试验无效。如校正值不大于标示量的2%,可忽略不计。
(6)需多次取样时,如所量取溶出介质的体积之和在溶出介质的1%之内,可不补液也不进行计算校正。