0921 崩解时限检查法
本法用于检查片剂、胶囊剂等口服固体制剂置于液体介质中,在规定条件下的崩解情况。
本法不要求药物制剂或药物活性成分完全溶解。完全崩解系指口服固体制剂在规定条件下全部崩解溶散或成碎粒,除不溶性包衣材料或破碎的胶囊壳外,应全部通过筛网;如有少量不能通过筛网或黏附于挡板下表面,但已软化或轻质上漂且无明显硬心者,符合规定。
除另有规定外,凡规定检查溶出度、释放度或分散均匀性的制剂,不再进行崩解时限检查。
一、仪器装置
采用升降式崩解仪,主要结构包括能升降的金属支架,下端镶有筛网的吊篮,容积为1000ml烧杯,烧杯高度为138~160mm,内径为97~115mm,和可调节温度在37℃±2℃的控温装置。升降的金属支架上下移动距离为53~57mm,往返频率为每分钟29~32次。对于崩解介质体积的要求,在吊篮上升至最高点时,筛网保持在液面以下,距离液面应不小于1 5 mm,下降到最低点时,筛网底部距烧杯底部的距离应不小于25 mm,吊篮顶部不可浸没于介质中。上升时间与下降时间应相同,升降转向应平稳,吊篮应不出现相对于垂直轴线水平方向的位移或运动。
(1)吊篮 透明管6根,管长75.0~80.0mm,内径20.7~23.0mm,壁厚1.0~2.8mm;透明塑料板2块,直径88~92mm,厚5.0~8.5mm,板面有6个孔,孔径22~26mm;不锈钢丝筛网1张,置于一块塑料板下,直径88~92mm,筛孔内径1.8~2.2mm,丝径0.57~0.66mm。在确保透明管与筛网规格尺寸与上述内容相同的前提下,吊篮装置的设计可略有差异:不锈钢板1块,置于上面一块塑料板上,直径88~92mm,厚1mm,板面有6个孔,孔径22~26mm;不锈钢轴1根,固定在上面一块塑料板与不锈钢板上,长78~82mm。将上述透明管6根垂直置于2块塑料板的孔中,并用3只螺丝将不锈钢板、塑料板和不锈钢丝筛网固定,以适当的方式将吊篮连接于升降装置中轴方向的连接点上(图1)。

图1 升降式崩解仪吊篮结构
(2)挡板 仅当品种项下规定时使用。使用自动检查装置时,可照品种项下,在符合本通则规定的密度和尺寸前提下,对挡板进行改装。
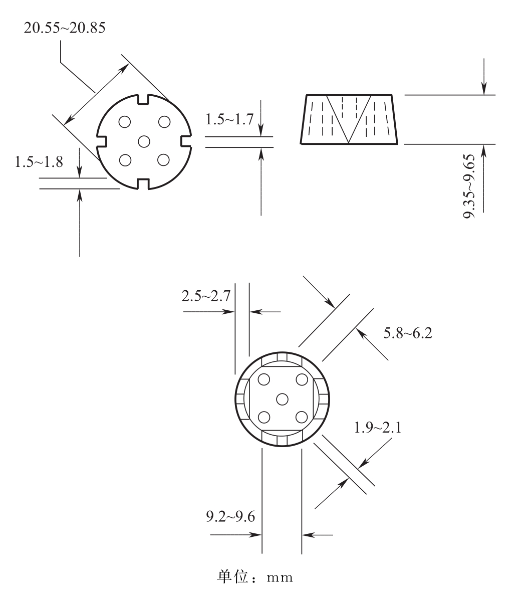
挡板为一平整光滑的透明塑料块,相对密度1.18~1.20,直径20.55~20.85mm,厚9.35~9.65mm;挡板共有5个相互平行且贯穿挡板的孔,孔径1.9~2.1mm,中央1个孔,其余4个孔距中心5.8~6.2mm,各孔间距相等;挡板侧边有4个等距离的梯形槽,几乎垂直于挡板上下两面,梯形等腰,平行的两边分别位于挡板的上下两面。梯形应平行于两个相邻的距中轴6mm孔的连线,梯形位于挡板下表面的平行边边长1.5~1.7mm,刻痕深1.5~1.8mm,梯形位于挡板上表面的平行边边长9.2~9.6mm,刻痕深2.5~2.7mm。挡板表面应平整光滑(图2)。

图2 升降式崩解仪挡板结构
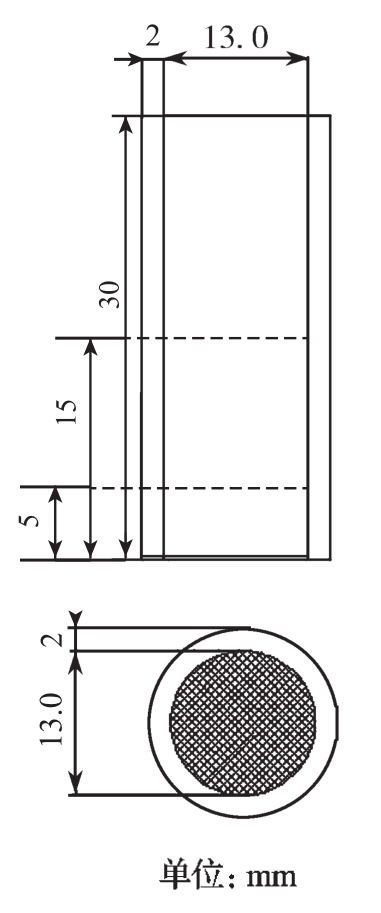
(3)口崩片崩解装置 主要结构为能升降的支架与下端镶有筛网的不锈钢管。升降的支架上下移动距离为9~11mm,往返频率为每分钟30次。崩解篮为不锈钢管,管长30mm,内径13.0mm,不锈钢筛网置于不锈钢管底部,筛孔内径710μm(图3)。

图3 崩解篮结构
二、检查法与判定法
检查法 除另有规定外,采用通用检查法进行检查。
通用检查法 将吊篮通过上端的不锈钢轴悬挂于支架上,浸入1000ml烧杯中,调节吊篮位置使其下降至低点时筛网距烧杯底部25mm,烧杯内盛有温度为37℃±2℃的水,调节水位高度使吊篮上升至高点时筛网在水面下15mm处,吊篮顶部不可浸没于溶液中。
口崩片检查法 采用口崩片崩解装置,将不锈钢管固定于支架上,浸入1000ml杯中,杯内盛有温度为37℃±2℃的水约900ml,调节水位高度使不锈钢管最低位时,筛网在水面下15mm±1mm,启动仪器。
判定法 品种正文项下未规定判定法时,采用判定法1;品种正文项下规定判定法时,按其规定的判定法进行判定。
判定法1 取供试品6片(粒、袋、丸),照品种项下规定的仪器装置与检查法操作,启动崩解仪进行检查,各片(粒、袋、丸)均应在规定时限内完全崩解。如有1片(粒、袋、丸)不能完全崩解,应另取6片(粒、袋、丸)复试,均应完全崩解。
判定法2 取供试品6片(粒、袋、丸),照品种项下规定的仪器装置与检查法操作,启动崩解仪进行检查,各片(粒、袋、丸)均应在规定时限内完全崩解。如有1~2片(粒、袋、丸)不能完全崩解,应另取12片(粒、袋、丸)复试,全部18片(粒、袋、丸)中应有不少于16片(粒、袋、丸)完全崩解。
(1)片剂
普通片,按上述检查法与判定法检查,15分钟内应符合规定。
中药浸膏片、半浸膏片和全粉片,按上述检查法与判定法检查,每管加挡板1块,启动崩解仪进行检查,全粉片在30分钟内应符合规定;浸膏(半浸膏)片在1小时内应符合规定。如果供试品黏附挡板,应另取规定数量的片剂,不加挡板按上述检查法与判定法检查,应符合规定。
薄膜衣片,按上述检查法与判定法检查,并可改在盐酸溶液(9→1000)中进行检查,化药薄膜衣片在30分钟内应符合规定。中药薄膜衣片,则每管加挡板1块,在1小时内应符合规定。如果供试品黏附挡板,应另取规定数量的片剂,不加挡板按上述方法检查,应符合规定。
糖衣片,按上述检查法与判定法检查,化药糖衣片在1小时内应符合规定。中药糖衣片则每管加挡板1块,在1小时内应符合规定。如果供试品黏附挡板,应另取规定数量的片剂,不加挡板按上述方法检查,应符合规定。
肠溶片,按上述检查法与判定法检查,先在盐酸溶液(9→1000)中检查2小时,每片均不得有裂缝、崩解或软化现象;然后将吊篮取出,用少量水洗涤后,每管加入挡板1块,再按上述方法在磷酸盐缓冲液(pH 6.8)中进行检查,1小时内应符合规定。如果供试品黏附挡板,应另取规定数量的片剂,不加挡板按上述方法检查,应符合规定。
结肠定位肠溶片,除另有规定外,按上述检查法与判定法,照各品种项下规定检查。各片在盐酸溶液(9→1000)及pH 6.8以下的磷酸盐缓冲液中均应不得有裂缝、崩解或软化现象,在pH 7.5~8.0的磷酸盐缓冲液中1小时内应符合规定。
含片,除另有规定外,按上述检查法与判定法检查,在10分钟内各片均不应完全崩解或溶化。
舌下片,除另有规定外,按上所述检查法与判定法检查,在5分钟内应符合规定。
可溶片,除另有规定外,水温为20℃±5℃,按上述检查法与判定法检查,在3分钟内应符合规定。
泡腾片,取本品,照上述判定法检查,每片分别置于250ml烧杯中,内有200ml温度为20℃±5℃的水,即有许多气泡放出。当片剂或碎片周围的气体停止逸出时,片剂应溶解或分散在水中,无聚集的颗粒剩留,应符合规定。除另有规定外,同法检查6片,各片均应在5分钟内完全崩解。如有1片不能完全崩解,应另取6片复试,均应符合规定。
口崩片,除另有规定外,按口崩片崩解装置、口崩片检查法与上述判定法检查,每片分别置于崩解篮中进行检查,在60秒内应符合规定,如有少量轻质上漂或黏附于不锈钢管内壁或筛网,但无明显硬心者,视为完全崩解。
(2)胶囊剂
硬胶囊或软胶囊,除另有规定外,取供试品6粒,按上述检查法与判定法检查,化药胶囊如漂浮于液面,可加挡板,中药胶囊加挡板进行检查。硬胶囊在30分钟内应符合规定;软胶囊在1小时内应符合规定,以明胶为基质的软胶囊可改在人工胃液中进行检查。
肠溶胶囊,除另有规定外,取供试品6粒,按上述检查法与判定法检查,先在盐酸溶液(9→1000)中不加挡板检查2小时,每粒的囊壳均不得有裂缝或崩解现象;将吊篮取出,用少量水洗涤后,每管加入挡板,再按上述方法,在人工肠液中进行检查,1小时内应符合规定。
结肠肠溶胶囊,除另有规定外,取供试品6粒,按上述检查法与判定法检查,先在盐酸溶液(9→1000)中不加挡板检查2小时,每粒的囊壳均不得有裂缝或崩解现象;取出吊篮,用少量水洗涤后,再按上述方法,在磷酸盐缓冲液(pH 6.8)中不加挡板检查3小时,每粒的囊壳均不得有裂缝或崩解现象;将吊篮取出,用少量水洗涤后,每管加入挡板,再按上述检查法与判定法,在磷酸盐缓冲液(pH 7.8)中检查,1小时内应符合规定。
(3)滴丸剂
按上述检查法与判定法检查,但不锈钢丝网的筛孔内径应为0.42mm;除另有规定外,在30分钟内应符合规定,包衣滴丸在1小时内应符合规定。
以明胶为基质的滴丸,可改在人工胃液中进行检查。
【附注】
人工胃液 取稀盐酸16.4ml,加水约800ml与胃蛋白酶10g,摇匀后,加水稀释成1000ml,即得。
人工肠液 即磷酸盐缓冲液(含胰酶)(pH 6.8)(通则8004)。